Parametrické komponenty

Parametrické komponenty #

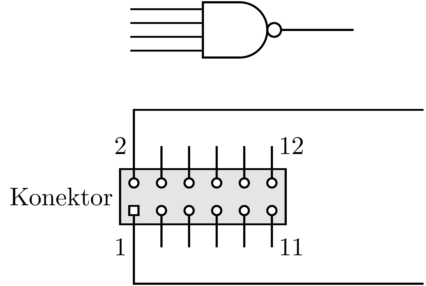
V Circuit-Macros je možné vlastnosti niektorých komponentov definovať pomocou parametrov, zvyčajne u komponentov, ktoré obsahujú opakujúce sa časti, napríklad konektory, vstupy logických hradiel a pod.

_images/cm_020.png

Obr. 64 Parametrické komponenty#

Pri parametrických komponentoch môžeme použiť dynamické vytváranie mien atribútov v textovom reťazci obsahujúcom príkaz. Reťazec môžeme vytvoriť parametricky pomocou funkcie sprintf(). Textový reťazec vykonáme pomocou príkazu exec.

_images/cm_021.png

Obr. 65 Logický parametrický komponent#