Mnohopóly

Contents

Mnohopóly #

Zložitejšie elektronické prvky majú zvyčajne viacej ako dva uzly, takýmto prvkom v teórii systémov je štvorpól, ktorý má dva vstupné a dva výstupné uzly. Okrem štandardných atribútov má mnohopól ešte doplňujúce atribúty súvisiace s polohou uzlov a označením uzlov.

_images/cm_051.png

Obr. 19 Príklady mnohopólov definovaných v CircuitMacros.#

Typickým mnohopólom je transformátor, makro pre jeho zobrazenie má tvar

transformer(linespec,L|R,np,[A|P][W|L][D1|D2|D12|D21],ns)

parametre:

  linespec             - orientácia a dĺžka prícodov
  np                   - počet závitov primárneho vinutia
  ns                   - počet závitov sekundárneho vinutia
  L | R                - poloha primárho vinutia vlavo (L) alebo vpravo (R)
  W | L                - tvar zobrazenia vinutia široké (W) alebo jednoduché (L)
  A | P                - zobrazenie bez jadra (A) alebo s jadrom (P)
  D1 | D2 | D12 | D21  - označenie začiatku vinutia 
  
atribúty:

.s   .w   .n.  .e      - stredy strán obrysu
.sw  .se  .nw  .ne     - rohy obrysu
.P1  .P2               - poloha koncov primárneho vinutia
.S1  .S2               - poloha koncov sekundárneho vinutia
.TP  .TS               - poloha stredov vinutia

Použitie #

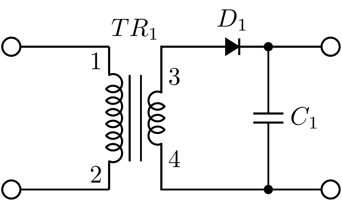
Použitie atribútov mnohopólu demonštruje nasledujúci príklad.

TR:  transformer(down_ 2,L,7,W,4);
     "1" at TR.P1 rjust below;     # popis transformatora 
     "2" at TR.P2 rjust above;
     "3" at TR.S1 ljust above;
     "4" at TR.S2 ljust below;
     "$TR_1$" at TR.n above;

     line from TR.P1 left_ 1;      # privody vlavo
TC1: tconn(0.5,O);
     line from TR.P2 left_ 1; 
TC2: tconn(0.5,O);

    line from TR.S1 up_ to (TR.S1.x, TC1.y) then right_ 0.5;
D1: diode(1); llabel(,D_1,);       # usmerňovač
    dot;
    { tconn(1, O); }
    {C1: capacitor(down_ 2); llabel(,C_1,); }
    line from TR.S2 down_ to (TR.S2.x, TC2.y) then to C1.end;
    dot;
    tconn(right_ 1, O);
_images/cm_050.png

Obr. 20 Použitie atribútov mnohopólu.#