Tranzistory #

Bipolárny tranzistor #

Bipolárny tranzistor patrí medzi mnohopóly a okrem štandardných atribútov definaných pre plošné objekty má naviac atribúty pre určenie polohy vývodov báza, kolektora a emitora. Bipolárny tranzistor z knižnice CircuitMacros zobrazuje makro bi_tr()

_images/cm_106.png

Obr. 47 Značka bipolárneho tranzistora bi_tr().#

bi_tr(linespec,L|R,P,E);

parametre:

  linespec             - orientácia a dĺžka prívodov
  L | R                - poloha bázy vlavo (L) alebo vpravo (R)
  N | P                - NPN / PNP
  E                    - púzdro tranzistora
  
atribúty:

.s   .w   .n.  .e      - stredy strán obrysu
.sw  .se  .nw  .ne     - rohy obrysu
.B                     - poloha bázy
.E                     - poloha emitora
.C                     - poloha kolektora

Pretože vývody tranzistora nie sú v mriežke, musíme obvody s tranzistormi kresliť tak, že centrálnym prvkom zapojenie je tranzistor a ostatné komponenty ukladáme tak, že ich polohy a ak je to vhodné aj ich veľkosť určujeme voči polohám jeho vývodov. V nasledujúcom príklade je poloha rezistora odvodená od polohy vývodu bázy, dĺžka rezistora $R_{b1}$ je určená polohou značky zeme pri rezistore $R_e$. Pre popis spojovacieho bodu $V_b$ bolo použité makro dlabel().

    ...
T1: bi_tr(2, L, N,E); 
    resistor(from T1.E down_ 1.5,,E); rlabel(,R_e,);
GN: gnd;                           # zem
    ...
    line from T1.B left_ 0.8;      # poloha Here
D1: dot; dlabel(0,0,,V_b,,AL);     # spojovaci bod a popis
    resistor(from D1 down_ (D1.y - GN.n.y),,E); rlabel(,R_{b1},);
    gnd;
    ...
_images/cm_008.png

Obr. 48 Obvod vykreslený s použitím relatívnych súradníc.#

Modifikácie značiek #

Ak vyžadujeme aby vývody prvkov boli v presných a známich súradniciach (v mriežke) alebo máme špecifické požiadavky na tvar značky, najjednoduchším spôsobom je vytvorenie si makra značky vlastného prvku. V knižnici base.ckt sú definované ekvivalenty bipolárnych tranzistorov bjt_NPN() a bjt_PNP(). Ako predloha pre zobrazenia bipolárnych tranzistorov boli použité značky z ručne kreslených zapojení pomocou šablón z československých odborných časopisov zo 70/80 rokov minulého storočia.

_images/cm_078.png

Obr. 49 Značky bipolárnych tranzistorov bjt_NPN() a bjt_PNP()#

bjt_NPN(length_ce, length_b, L|R|U|D, C|N)

parametre:

  length_ce            - dĺžka prívodov medzi kolektoroma emitorom
  length_b             - dĺžka prívodu bázy
  L | R | U | P        - smer otočenia 
  C | N                - zobrazenie s púzdrom (C) a bez púzdra (N)
  
atribúty:

.s   .w   .n.  .e      - stredy strán obrysu
.sw  .se  .nw  .ne     - rohy obrysu
.B                     - poloha bázy
.E                     - poloha emitora
.C                     - poloha kolektora

Nasledujúci príklad ukazuje použitie modifikovaných značiek bipolárnych tranzistorov.

_images/cm_088.png

Obr. 50 Jednoduchý obvod s bipolárnymi tranzistormi v súradnicovej mriežke.#

Pomocou vlastných makier si môžeme vytvoriť nové alebo modifikované prvky pre tvorbu vlastného štýlu článkov, knižných publikácií alebo ak potrebujeme prekresliť nejaké staršie zapojenie a chceme dodržať pôvodný grafický štýl.

_images/ar_1989_02.png

Obr. 51 Zapojenie z časopisu Amatérske rádio, ručne kreslené zapojenie pomocou šablón.#

Pri prekreslovaní zapojenia v tomto príklade chceme dodržať podobný typ písma použitého na obrázku, ktorému sa najviac blíži šíkmé bezpätkové písmo typu sans-serif. Pre vykreslenie takto formátovaných textov si vytvoríme pomocné makro itsf():

# makro pre formatovanie textu
define(`itsf', `"\textit{\textsf{$1}}"')   

...
# použitie makra
R4: resistor(from T1.E down_ 1.2,,E); 
    { 
        itsf(R4)  at R4.c + (-0.14, 0.15) rjust;  
        itsf(100) at R4.c + (-0.14,-0.15) rjust; 
    }   
...
_images/cm_089.png

Obr. 52 Prekreslený obvod z predchádzajúceho obrázku.#

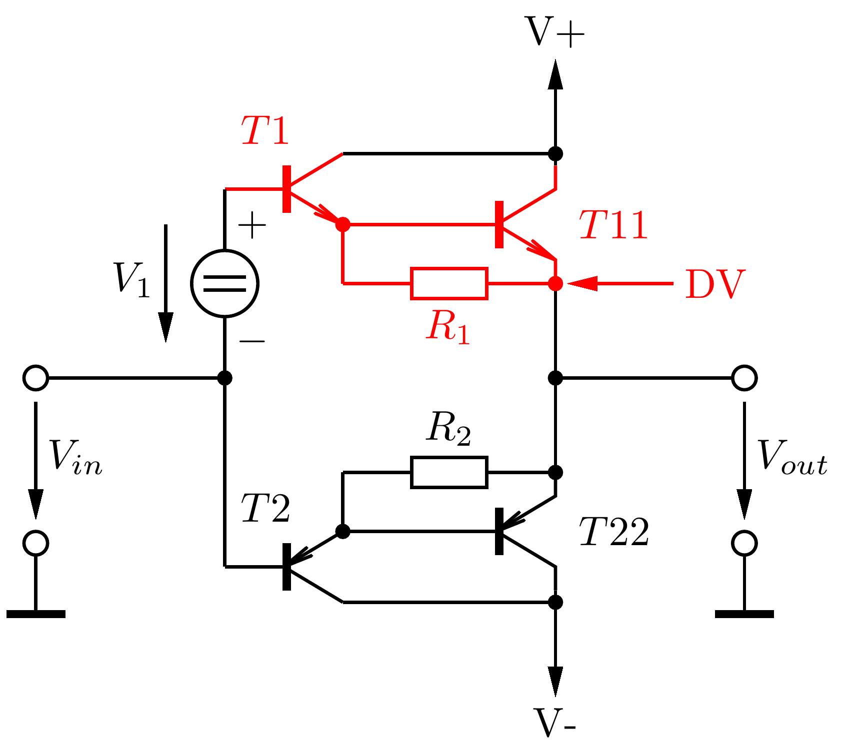
Pre kreslenie vnútorného zapojenia integrovaných obvodov alebo zjednodušené zapojenia častí zapojení sa používajú značky tranzistorov bez púzdier a so skrátenými vývodmi. Pre presné umiestňovanie takýchto prvkov je potom potrebné použiť konštrukciu with … at s deklarovaním vývodu, ku ktorému sa umiestnenie značky vzťahuje.

    ...
    line up_ 0.8; 
DV: dot;

     # umiestnenie T11 s emitorom do bodu DV
T11: bjt_NPN(1,1,R,N) with .E at Here;   
    line from T11.B left_ 0.8;
    
    # T1 s redukovanou dlzkou vyvodov medzi kolektorom a emitorom 
T1: bjt_NPN(0.6,1,R,N) with .E at Here;  

    # pripojenie odporu R1 s dĺžkou určenou polohou emitorov T1 a T11
    resistor(from T11.E left_ (T11.E.x - T1.E.x),,E); {llabel(,R_1,);}
    line to T1.E; dot;
    ...
_images/cm_103.png

Obr. 53 Použitie zjednodušených značiek tranzistorov.#

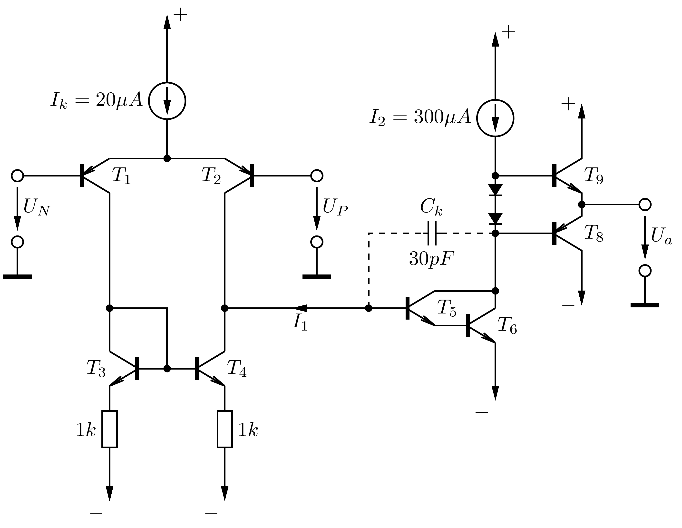
Vnútorné zapojenia integrovaných obvodov sú často súčasťou katalógových listov a zobrazujú ekvivalentné zapojenie obvodu s diskrétnymi komponentami. Zapojenia často bývajú zjednodušené bez zobrazenia pomocných a parazitných prvkov pre lepšie pochopenie činnosti obvodu alebo jeho simuláciu, skutočná vnútorná štruktúra obvodu býva zvyčajne značne komplikovanejšia.

_images/cm_104.png

Obr. 54 Príklad zobrazenia jednodušenej vnútornej štruktúru operačného zosilovača 741.#

FET tranzistor #

Pre zobrazenie štandardných MOSFET tranzistorov sú definované makrá e_fet() a d_fet(). Popis makier špeciálnych typov FET tranzistorov je uvedý v dokumentácii k programu.

_images/cm_105.png

Obr. 55 Značky MOSFET tranzistorov e_fet() a d_fet()#

e_fet(linespec,R,P,E|S)  - enhancement MOSFET
d_fet(linespec,R,P,E|S)  - depletion MOSFET 

parametre:

  linespec             - orientácia a dĺžka prívodov
  R                    - poloha gate vpravo (R), bez parametra vlavo
  P                    - vodivosť typu P-Kanál, bez parametra N-Kanál
  E|S                  - púzdro tranzistora (E), zjednodušená značka (S)
  
atribúty:

.s   .w   .n.  .e      - stredy strán obrysu
.sw  .se  .nw  .ne     - rohy obrysu
.G                     - poloha bázy
.S                     - poloha source
.D                     - poloha drain